Technische Spezifikationen für das Abkanten
Die nachfolgenden technischen Spezifikationen dienen als Grundlage für das präzise und effiziente Biegen von Blechteilen.
Sie enthalten wichtige Parameter wie Toleranzen, Mindestabstände und maximal zulässige Maße, um eine fehlerfreie Fertigung sicherzustellen. Zudem werden Materialanforderungen, mögliche Kollisionen mit Werkzeugen sowie spezielle Biegetechniken berücksichtigt.
Eine klare Dokumentation und regelmäßige Aktualisierung der Vorgaben helfen, die Qualität und Umsetzbarkeit der Konstruktionen zu gewährleisten.

Alle Abkant-Spezifikationen im Überblick
Nachstehend erläutern wir folgende Spezifikationen für das Abkanten:
Kleinster Schenkel / Kleinste Z-Kantung | Lochabstandstabelle | Grenzabmaße | Allgemeintoleranzen | Hilfskantungen | Schwenkbiegen (Materialien, Werkzeugauswahl) | Benötigte Kundendateien
Kleinster Schenkel / Kleinste Z-Kantung
Lochabstandstabelle
Weitere Informationen oder direkt Anfrage stellen?
Kontaktieren Sie uns gerne für eine Beratung oder fragen Sie direkt Ihr individuelles Projekt an.
Grenzabmaße
für Längenmaße außer für gebrochene Kanten sowie für Winkelmaße
Allgemeintoleranzen
Allgemeintoleranzen für Geradheit und Ebenheit sowie Rechtwinkligkeit und Symmetrie
Weitere Informationen oder direkt Anfrage stellen?
Kontaktieren Sie uns gerne für eine Beratung oder fragen Sie direkt Ihr individuelles Projekt an.
Hilftkantungen
Bei U-Profilen mit hohen Schenkeln und schmalem Rücken ist eine Fertigung, in den meisten Fällen, nur mittels einer Hilfskante möglich, wie Sie nachstehend grafisch dargestellt sehen.
Diese wird vor dem eigentlichen Kantprozess in die Gegenseite des späteren Rückens eingebracht und am Ende des Kantvorgangs wieder gerade gedrückt. An der Biegestelle der Hilfskante muss mit Kantabdrücken und leichter Unebenheit gerechnet werden.
Dieses Verfahren ist demzufolge nicht für die Fertigung absoluter Sichtteile geeignet.
Schwenkbiegen
1. Material / Blechstärke und max. Teilelänge
Auf der Schwenkbiegemaschine ist es möglich Bleche, bis zu einer Blechstärke von maximal 4 mm zu kanten.
- Aluminium (Glattblech und Träne) - bis 3 mm
- Edelstahl (Glattblech) - bis 3 mm
- Stahlblech (Glattblech) - bis 4mm
2. Werkzeugauswahl/ kürzester Schenkel
Bei der Maschinenauswahl sollte auch auf den kleinsten Biegeschenkel geachtet werden.
Blechstärke x Faktor
- Aluminium - Faktor 6
- Stahl - Faktor 7
- Edelstahl - Faktor 8
Beispiel: Blechstärke 2mm, S235JR (Faktor 7) ➔ 2 x 7 = 14
Ein Schenkel bei S235JR sollte nicht kleiner als 14 mm sein.
Benötigte Kundendateien
Um eine schnelle Bearbeitung zu garantieren ist es nötig alle relevanten Daten zu erhalten, um Ihnen anhand dessen ein konkretes Angebot machen zu können.
Die notwendigen Daten hierbei sind
- Technische Zeichnung als PDF-Datei
- Technische Zeichnung + Abwicklung (mit Biegelinien) als DXF/DWG-Datei
- Bauteil(e) als STP-Datei (wenn vorhanden)
Sehen Sie hier beispielhafte Dokumenten-Muster, welche eine optimale Weiterverarbeitung ermöglichen oder fragen Sie Ihr individuelles Abkant-Projekt direkt an.
Weitere Informationen oder direkt Anfrage stellen?
Kontaktieren Sie uns gerne für eine Beratung oder fragen Sie direkt Ihr individuelles Projekt an.
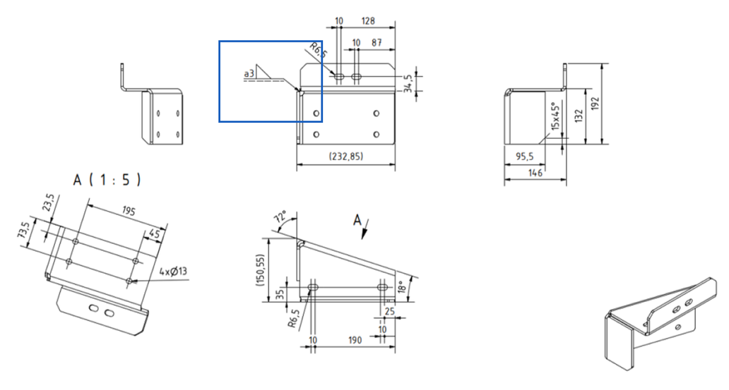
Notwendige Informationen auf technischen Zeichnungen
- messbare Außenmaße (sehen Sie am Beispiel)
- Blechstärke
- alle relevanten Winkel
- die Sichtseite ist die Seite eines Blechbauteiles, die keine Kratzer aufweisen darf (bei Aluminium, Edelstahl und verzinkten Blechen)
- größere Biegeradien müssen ggf. auch eingebracht werden
Notwendige Schweißangaben
Bei einem zu schweißenden Bauteil ist es wichtig, alle zur Fertigung nötigen Schweißangaben auf der Zeichnung zu vermerken. Dabei ist nicht zwingend die Schweißnaht, sondern nur die Lage und Art einzubringen.
Sehen Sie hier beispielhafte technische Zeichnungen, welche eine optimale Weiterverarbeitung ermöglichen:
Jetzt Ihr individuelles Projekt anfragen!
Wir melden uns innerhalb von 24 Stunden bei Ihnen.

Kontaktieren Sie uns jetzt!
Bei Rime stehen individuelle Beratung und passgenaue Lösungen im Mittelpunkt. Unsere Experten begleiten Sie von der Planung bis zur Fertigung – zuverlässig, effizient und mit höchster Qualität.